联系电话 
+8613905342326
案例一 小型智能移动注水装置
装置简述
使用地:延长油田
该装置主要由水箱、注入泵、成套水处理装置、控制系统、阀门管道、计量仪表及撬座等组成,水源来水、过滤、加药、升压、计量、回流一体化设计,所有设备、阀门以及工艺管道集中安装在一个撬座上。用于日注水量300m3以下的单井或多井的注水。


案例二 600m3/d水处理注水一体化装置项目简述
使用地:长庆油田
主要组成:
污水罐撬块 (1座)
含油污水处理罐撬块(1座)
过滤撬块 (1座)
净水罐撬块 (1座) 注水泵撬块 (1座)






案例三 移动式撬装注水设备
(胜利油田)
主要组成:
污水罐撬块 (1座)
过滤撬块 (1座)
注水泵撬块 (1座)


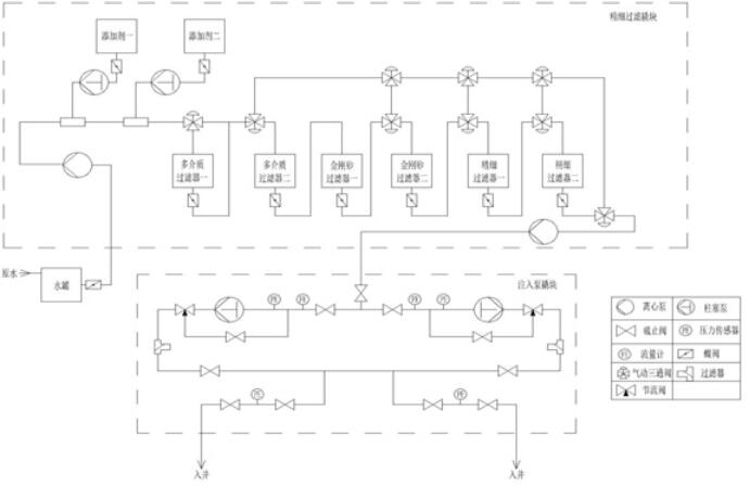
根据来水水质和注入需求,通过控制管路上的三通阀,选择水流进入的过滤器流程。在原水进入过滤器前设计有两套添加剂添加装置,装有计量泵,根据注水工艺可精确添加水处理药剂。经过滤器将原水处理,水质达到注入要求,经喂水泵进入注入泵撬块。注入泵撬块内对称布置有两套注入流程,可根据需求调整开启的阀门,进行一泵或两泵的注水作业。流程中装有流量计、压力传感器可实时监控泵注压力流量。并通过截止阀进行调整。泵出口装有节流阀及回流管汇,控制泵注的稳定性及扩大流量条件范围。

胜利油田孤岛采油厂备使用现场
胜利油田临盘采油厂使用现场
